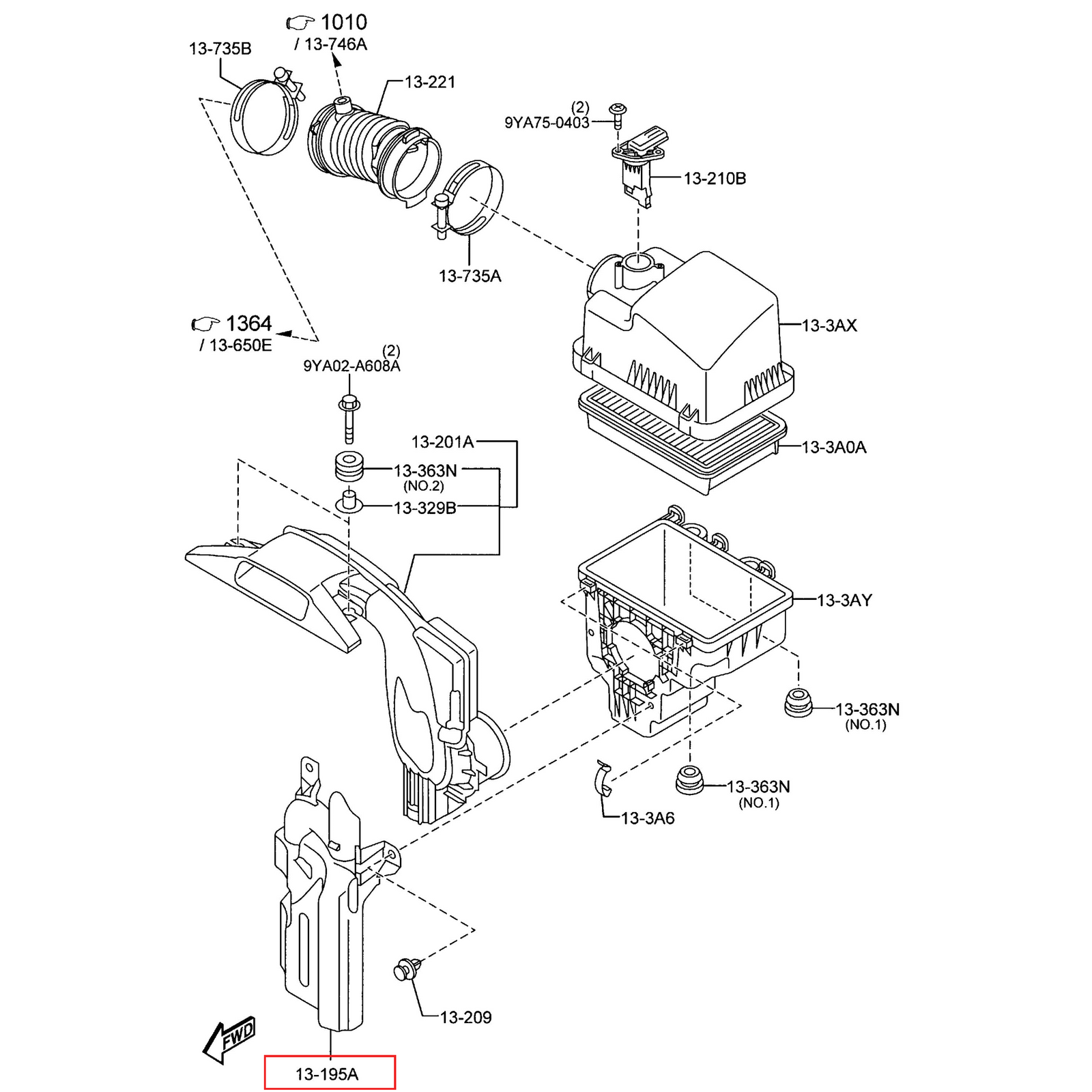
The Engine air intake resonance chamber is an expansion chamber for your Mazda CX-5's intake system. The intake resonance chamber helps reduce engine intake noise and increases the amount of horsepower available through slowing down the air emerging from the engine.
Details
Special Notes
5



